Motor Mounts
Rapid-Fit & Standard Motor Mounts are the fastest and most economical method of securing motors to machine beds.
Motors Mounts provide a reliable and versatile solution for securely mounting electric motors across a wide range of industrial applications. Designed for durability, ease of installation, and long-term performance, this range includes both standard motor mounts and rapid-fit motor mounts, offering flexibility to suit different installation requirements and operational needs.
Manufactured from high-quality steel and finished with protective coatings, TransDrive motor mounts are built to withstand demanding environments while maintaining structural integrity and alignment over time.
Standard Motor Mounts
TransDrive Standard Motor Mounts are engineered for robust, stable motor support in traditional installations. Designed to accommodate a broad range of motor frame sizes from 63 to 225, they provide a dependable mounting platform for belt-driven and direct drive systems.
These mounts allow for precise motor positioning and adjustment, ensuring optimal belt tension and alignment. Their solid construction helps minimise vibration and mechanical stress, contributing to extended equipment life and reduced maintenance requirements.
Features
- Suitable for a wide range of motor frame sizes
- Strong, durable steel construction
- Adjustable design for accurate belt tensioning
- Reliable alignment for efficient power transmission
- Ideal for permanent or heavy-duty installations

Rapid-Fit Motor Mounts
TransDrive Rapid-Fit Motor Mounts offer a faster, more economical solution for mounting motors, making them ideal for applications where installation speed and ease of adjustment are critical.
Designed with a two-piece sliding top plate, these mounts enable quick motor positioning and belt tensioning without loosening motor bolts, reducing installation time and simplifying adjustments. Manufactured from galvanised cold-rolled steel they offer excellent corrosion resistant and durability, and are available in multiple sizes to suit motor frames sizes typically ranging from 63 to 180, with slotted base holes for easy foundation mounting.
Features
- Fast and economical installation
- Sliding top plate for easy alignment and reduced vibration
- Single-screw belt tension adjustment
- No need to loosen motor bolts during adjustment
- Galvanised steel construction for corrosion resistance
- Multiple sizes available for common motor frame ranges.

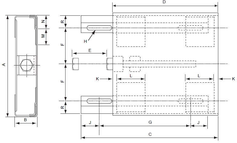
Product Specifications
Standard Motor Mounts
| Base Ref | Motor Frame Ref | Motor Bolt Holes | A | B | C | D | Movement E | J | K | M | N | R | SW | Weight kg |
|---|---|---|---|---|---|---|---|---|---|---|---|---|---|---|
| 0 | 63 | 7 | 146 | 29 | 225 | 170 | 80 | 27 | 60 | 50 | 32 | 15.0 | 17 | 1.4 |
| 71 | ||||||||||||||
| A | 80 | 10 | 240 | 55 | 325 | 258 | 100 | 45 | 10 | 70 | 51 | 28.5 | 24 | 5.3 |
| 90S | ||||||||||||||
| 90L | ||||||||||||||
| 100S | 12 | |||||||||||||
| 100L | ||||||||||||||
| 112S | ||||||||||||||
| 112M | ||||||||||||||
| 132S | ||||||||||||||
| B | 132M | 12 | 428 | 60 | 578 | 450 | 180 | 51 | 28 | 100 | 98 | 36.0 | 24 | 19.0 |
| 160M | 15 | |||||||||||||
| 160L | ||||||||||||||
| 180M | ||||||||||||||
| 180L | ||||||||||||||
| 200M | 19 | |||||||||||||
| 200L | ||||||||||||||
| 225S | ||||||||||||||
| 225M |
All measurements are in mm unless otherwise stated.
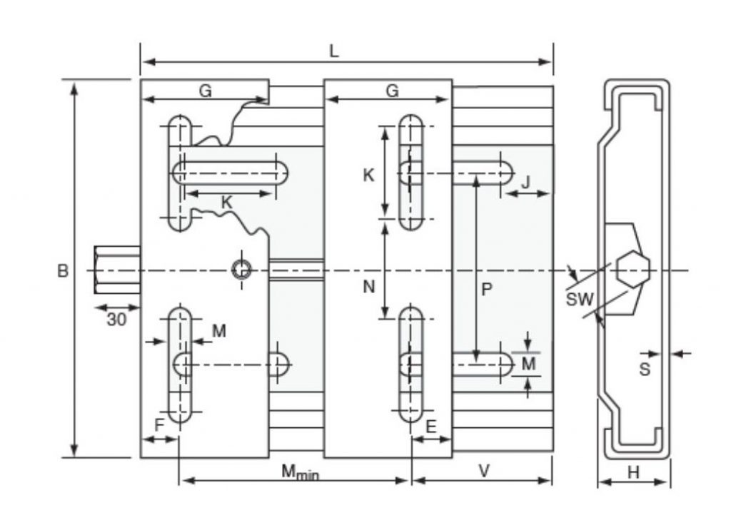
Rapid-Fit Motor Mounts
| Type | Frame Size | L | B | H | M min | G | E | J | K | M | N | P | SW | S | Weight kg |
|---|---|---|---|---|---|---|---|---|---|---|---|---|---|---|---|
| 210 | 63-80 | 210 | 195 | 34 | 100 | 70 | 20 | 25 | 50 | 10.5 | 43 | 98 | 19 | 3 | 2.4 |
| 270 | 63-112 | 270 | 195 | 33 | 100 | 70 | 20 | 25 | 50 | 10.5 | 43 | 98 | 19 | 3 | 2.8 |
| 340 | 90-132 | 340 | 280 | 40 | 135 | 95 | 27 | 30 | 62 | 12.5 | 90 | 165 | 22 | 4 | 7.4 |
| 430 | 90-160 | 430 | 282 | 40 | 132 | 95 | 27 | 29 | 62 | 12.5 | 90 | 165 | 22 | 4 | 8.0 |
| 490 | 160-180 | 490 | 410 | 40 | 114 | 95 | 40 | 30 | 60 | 15.0 | 193 | 284 | 22 | 4 | 12.0 |
All measurements are in mm unless otherwise stated.